РИВАЛКОМ
Open main menu
МЕНЮ
КАТАЛОГ
УСЛУГИ
НОВОСТИ
СТАТЬИ
ПРОЕКТЫ
ДОКУМЕНТАЦИЯ
КОМПАНИЯ
+7 (8552) 910-911
mail@rivalcom.ru
Home
Каталог
Камеры уровнемерные выносные КУВ
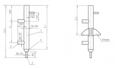
Камера уровнемерная выносная тип V (КУВ-V)
Loading ...
Камера уровнемерная выносная тип V (КУВ-V)
Отправить запрос