РИВАЛКОМ
Open main menu
КАТАЛОГ
УСЛУГИ
НОВОСТИ
СТАТЬИ
ПРОЕКТЫ
ДОКУМЕНТАЦИЯ
КОМПАНИЯ
+7 (8552) 910-911
mail@rivalcom.ru
Home
Каталог
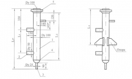
Камеры уровнемерные выносные КУВ
Камера уровнемерная выносная тип II (КУВ-II)
Loading ...
Камера уровнемерная выносная тип II (КУВ-II)
Отправить запрос